Radialventilator HFR 500-15 D/ 4/ Exd Z1

Verfügbarkeit: 30 Werktage
HF - Radialventilator in elektrisch ableitfähiger Ausführung mit Direktantrieberfüllt die Ökodesign-Richtlinie ErP

Korrosionsbeständiger Kunststoff-Radialventilator mit Gehäuse aus PE-el, elektrisch ableitfähig, in gesinterter Ausführung, einseitig saugend, Einlaufdüse mit Dichtung als Inspektionsöffnung, leicht demontierbar, Kondensatstutzen an tiefster Stelle des Gehäuses, Splitterschutz gemäß UVV als kunststoffbeschichtetes Drahtgeflecht. Laufrad GFK-el mit rückwärts gekrümmten Schaufeln, elektrisch ableitfähig, statisch und dynamisch ausgewuchtet, Auswuchtgüte mindestens G 6.3 (DIN ISO 21940-11), mit Taperlock- Buchse auf der Motorwelle befestigt. Ventilatorgestell in kräftiger Stahlschweißkonstruktion in verzinkter Ausführung, mit Motortragplatte. Ventilatorgestell geeignet zur Aufnahme des Ventilatorgehäuses mit Laufrad sowie des Motors. Minimalspaltdichtung am Wellendurchgang.Gummischwingungsdämpfer und elastische Manschetten mit VA-Spannbändern für Saug- und Druckseite sind im Lieferumfang enthalten.

Volumenstrom : 4000- 17000 m³/h
Statische Druckdifferenz : 2096- 518 Pa
Gehäusestellung : GR 360 (in 45° Schritten wählbar)

Motorleistung :  11 kW
Drehzahl - Motor :  1475 1/min
Spannung :  3~ 400/690 V
Frequenz :  50 Hz
Nennstrom :  20 A
Schutzart/Motorschutz :  IP 55/Kaltleiter
Ex-Klassifizierung :  II 2G Ex db eb IIC T4 Gb
Motor für FU geeignet :  Ja

ATEX
Ventilator Ex-Bezeichnung:  Ex II 2G Ex h IIB+H2 T4 Gb
Anforderung INNEN :  Kategorie 2 (Zone 1)
Temperaturklasse :  T4 (135 °C)
Anforderung AUSSEN :  Kategorie 2 (Zone 1)
Temperaturklasse :  T4 (135 °C)

 
 
 
alle Preise inkl. MwSt. zzgl. Versandkosten
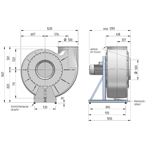
DaØ Saugseite DaØ Ausblasseite Höhe Länge Breite Gewicht VE Art.-Nr. Artikel bestellen
                Preis Menge
500 500 1401 1293 1430 260,000 1 368-39C000013 14516,00 €
alle Preise inkl. MwSt. zzgl. Versandkosten
Hinweis:
Für diesen Artikel kann kein Gesamtpreis berechnet werden. Daher wird aus Ihrem Warenkorb eine Anfrage und Sie erhalten von uns schnellstens ein Angebot mit allen Preisangaben, bevor Sie verbindlich bestellen.


ATEX: Vertrauen in Sicherheit, Expertise im Explosionsschutz




 

ATEX ist eine Bezeichnung, die häufig im Zusammenhang mit dem Explosionsschutz innerhalb der Europäischen Union steht. Der Name ATEX leitet sich von der französischen Bezeichnung „ATmosphères EXplosibles“ ab. Es handelt sich dabei um zwei EU-Richtlinien, die den Schutz von Personen und Sachwerten in explosionsgefährdeten Bereichen sicherstellen sollen. Diese Richtlinien sind:

1.) ATEX 2014/34/EU (früher 94/9/EG) – Geräte und Schutzsysteme zur bestimmungsgemäßen Verwendung in explosionsgefährdeten Bereichen:
Diese Richtlinie regelt das Inverkehrbringen von Produkten, die in explosionsgefährdeten Bereichen eingesetzt werden. Hersteller müssen sicherstellen, dass ihre Produkte so konstruiert und gefertigt sind, dass sie die Gesundheit und Sicherheit von Personen sowie den Schutz von Sachwerten nicht gefährden, wenn sie wie vorgesehen verwendet werden.

2.) ATEX 1999/92/EG (auch bekannt als „ATEX-Betriebsrichtlinie“):
Diese Richtlinie richtet sich an den Arbeitgeber und betrifft die Mindestanforderungen zum Schutz der Sicherheit und Gesundheit von Arbeitnehmern, die durch explosive Atmosphären gefährdet sein können. Sie verlangt von Arbeitgebern, das Risiko von Explosionen zu bewerten und entsprechende Schutzmaßnahmen zu ergreifen. Dazu gehört die Einteilung von Bereichen in Zonen basierend auf der Häufigkeit und Dauer des Auftretens gefährlicher explosiver Atmosphären.





Für Produkte, die unter die ATEX-Richtlinien fallen, ist eine CE-Kennzeichnung erforderlich, die anzeigt, dass das Produkt den geltenden EU-Anforderungen entspricht, einschließlich der für den Explosionsschutz. Zusätzlich zur CE-Kennzeichnung müssen Produkte, die in explosionsgefährdeten Bereichen verwendet werden, das spezielle ATEX-Kennzeichen (ein Hexagon mit der Aufschrift ’Ex’) tragen.

Die Umsetzung dieser Richtlinien erfordert von den Herstellern umfangreiche Kenntnisse über die Eigenschaften von Gasen, Dämpfen und Stäuben in Bezug auf deren Explosionsfähigkeit. Ebenso müssen Betreiber von Anlagen, in denen explosive Atmosphären auftreten können, geeignete Sicherheitskonzepte entwickeln und umsetzen, um das Risiko einer Explosion zu minimieren und die Sicherheit der Mitarbeiter zu gewährleisten.

In der Praxis bedeutet dies, dass Geräte und Schutzsysteme, die in solchen Bereichen eingesetzt werden, so konstruiert sein müssen, dass sie keine Zündquelle darstellen können, beispielsweise durch Funkenbildung oder übermäßige Wärmeentwicklung. Die Anforderungen variieren je nach der spezifischen Zone, in der das Gerät eingesetzt wird, und dem Typ der explosiven Atmosphäre (z.B. Gas oder Staub).

 



Die ATEX-Richtlinien decken ein breites Spektrum an Produkten und Schutzmaßnahmen ab, um Sicherheit in explosionsgefährdeten Bereichen zu gewährleisten. Hier sind weitere detaillierte Informationen und Aspekte der ATEX-Thematik:

Zoneneinteilung

Ein zentraler Aspekt der ATEX-Richtlinien ist die Einteilung von Bereichen in Zonen. Diese Klassifizierung basiert auf der Art, Häufigkeit und Dauer des Auftretens einer explosiven Atmosphäre.

Für Gase, Dämpfe und Nebel:
Zone 0: Ein Bereich, in dem eine explosive Gasatmosphäre ständig oder langzeitig vorhanden ist.
Zone 1: Ein Bereich, in dem sich unter normalen Betriebsbedingungen gelegentlich eine explosive Gasatmosphäre bilden kann.
Zone 2: Ein Bereich, in dem eine explosive Gasatmosphäre normalerweise nicht oder nur kurzzeitig auftritt.

Für Stäube:
Zone 20: Ein Bereich, in dem eine explosive Staubwolke ständig oder langzeitig in der Luft vorhanden ist.
Zone 21: Ein Bereich, in dem sich unter normalen Betriebsbedingungen gelegentlich eine explosive Staubwolke bilden kann.
Zone 22: Ein Bereich, in dem eine explosive Staubwolke nicht unter normalen Betriebsbedingungen und nur kurzzeitig auftritt.

Gerätekategorien

Die Geräte und Schutzsysteme, die unter die ATEX 2014/34/EU fallen, werden entsprechend ihrem Einsatzort in verschiedene Kategorien eingeteilt, die das erforderliche Schutzniveau angeben:

- Kategorie 1 (Zone 0 oder 20): Höchstes Schutzniveau; Geräte müssen selbst bei zwei unabhängigen Fehlfunktionen Sicherheit bieten.
- Kategorie 2 (Zone 1 oder 21): Hohes Schutzniveau; Geräte müssen hohe Sicherheit bieten und im Falle einer Störung sicher bleiben.
- Kategorie 3 (Zone 2 oder 22): Normales Schutzniveau; Geräte müssen unter normalen Betriebsbedingungen sicher sein.

Kennzeichnung

Produkte, die für den Einsatz in explosionsgefährdeten Bereichen konzipiert sind, müssen neben der CE-Kennzeichnung zusätzliche Informationen tragen, darunter:
- Das Ex-Symbol in einem Sechseck.
- Die Gruppe und Kategorie des Geräts.
- Die Gas- oder Staubgruppe, für die das Gerät geeignet ist.
- Die Temperaturklasse oder die maximale Oberflächentemperatur.

Konformitätsbewertungsverfahren

Die ATEX-Richtlinie schreibt vor, dass Produkte durch ein Konformitätsbewertungsverfahren gehen müssen, bevor sie auf den Markt gebracht werden. Dies kann interne Produktionskontrollen, Typenprüfungen und in einigen Fällen die Einbeziehung einer benannten Stelle umfassen, je nach Gerätekategorie.
Wichtige Aspekte für Betreiber

Für Betreiber von Anlagen in explosionsgefährdeten Bereichen sind insbesondere die Anforderungen der ATEX 1999/92/EG (Betriebsrichtlinie) relevant. Diese schreiben vor, dass Betreiber ein Explosionsschutzdokument erstellen müssen, das Folgendes beinhaltet:

- Bewertung des Explosionsrisikos.
- Maßnahmen zur Verhinderung von Explosionen.
- Maßnahmen zum Schutz vor den Auswirkungen einer Explosion, um die Gesundheit der Arbeitnehmer zu sichern.

Die Einhaltung der ATEX-Richtlinien ist nicht nur für die Sicherheit am Arbeitsplatz von entscheidender Bedeutung, sondern auch eine rechtliche Anforderung in der EU. Die Umsetzung dieser Richtlinien erfordert eine enge Zusammenarbeit zwischen Herstellern, Anlagenbetreibern, Ingenieuren und Sicherheitsexperten, um innovative und sichere Lösungen für den Umgang mit explosiven Atmosphären zu entwickeln.






Ihre Wünsche, unsere Lösungen - Ein umfangreiches Lieferprogramm nach Maß.



Kunststoffrohrsysteme


Rohrsysteme aus Kunststoff im Überblick
Technische Informationen ABS Rohrsysteme
Technische Informationen PVC  U Rohrsysteme
Technische Informationen PVC  U Transparent Rohrsysteme
Technische Informationen PVC  C Rohrsysteme
Technische Informationen PP Rohrsysteme
Technische Informationen PP-R Rohrsysteme
Technische Informationen PE Rohrsysteme
Technische Informationen PVDF Rohrsysteme

Chemiedur


Technische Informationen UP-GF (GFK) Rohrsysteme
UP-GF (GFK) Rohre
UP-GF (GFK) Formteile und Verbindungen
UP-GF-PP (GFK) Formteile und Verbindungen
UP-GF (GFK) Klebebunde
UP-GF (GFK) Losflansche
PP/GFK Schmutzfänger DN 200 - DN 500
GFK/CSS  Schmutzfänger DN 200 - DN 500
PP/GFK  Schrägsitzschmutzfänger DN 200 - DN 400
GFK und PP/GFK Mannlochdeckel DN 500 - DN 800


Kunststoffrohre


Rohrzuschnitssrechner
Sägehinweise Kunststoffrohre
Kunststoffrohr - Restebörse
Normung - Kunststoffrohre und Formteile
PVC U Rohrabweichungen
Druckverlust PVCU, PVCC und ABS Rohrsysteme
Unterschied Rp, R und G Gewinde
Schraubenlängen für Flanschverbindungen
Dichtungen: PTFE, NBR, FKM, EPDM

Kunststoffarmaturen


PVC U Transparent Kugelhahn
Membranventile
Blockventile
Absperrklappen
Nadelventile aus Kunststoff



 

Kunststoffarmaturen nach ATEX


ATEX-Leitlinien allgemein
Neue EU Richtlinie 2014/34/EU
Kunststoffarmaturen in Ex-Zonen
Schmutzfänger PP-EL DN 15 - DN 50
Rückschlagventil PP-EL DN 15 - DN 50
Schrägsitzventil PP-EL DN 15 - DN 50

Kleben von Kunststoffrohren


Klebeanleitung
Klebeanleitung per Video

Kunststoffschweißen


Hinweise zum Extrusionsschweissen


Gitterroste / Tragroste


GFK Gitterroste
Gitterroste PP -el elektrisch Leitfähig
Profiltragroste PP -el elektrisch Leitfähig


Lüftungsformteile


Lüftungstechnik
Revisionsdeckel für Lüftungskanäle
Luftstromüberwachung


Chemieschlauch


PVC Transparentschlauch mit Textileinlage


Industrie- und Chemiebehälter


Dosierbehälter-Konfigurator
Dosierbehälter  und Überbehälter 35 – 1000 Liter
Salzlösebehälter 60 -5000 Liter
Lagerbehälter & Bottiche
Lagerbehälter für Wasser
Sicherheits- und Auffangwannen
Lieferprogramm Industriebehälter
Dosierbehälter mit Rührwerk
Rührwerk für Dosierbehälter
Dosierbehälter mit Anbauvarianten
Dosierbehälter aus Plattenmaterial
Chemiebehälter - Kundenlösungen
Dosierbehälter mit Füllstandsanzeigen
GFK Behälter für den schweren Chemieeinsatz



 

IBC TANK / CONTAINER


IBC Schraubdeckel DN 150/DN 200
IBC Adapter aus PE
IBC Adapter aus PP
MULTI FLEX BLOCK für IBC Bulk Container
Sauglanze für MULTI FLEX BLOCK und IBC Bulk Container
Heizhaube für IBC Bulk Container

Anwendungsbeispiele
MULTI FLEX BLOCK


Legionellen in Rückkühlwerken


Anbauteile für den Behälterbau


Säuredunstscheider
CO2 - Absorber
Fallbeispiel CO2 - Absorber
Mannlochdeckel
Revisionsstutzen
Blockflansche
Klöpperboden aus PP-CPK, PE-SK, PVDF-geätzt, PVC U und PVC-C


Filtergehäuse und Filterkerzen


PENTEK 3G Slime Line Gehäuse
PENTEK 3G Standard Filtergehäuse
PENTEK Big Blue Filtergehäuse
PENTEK PP Hochtemperatur Filtergehäuse
PENTEK PP Natur Filtergehäuse
PENTEK Filterbeutel für Big Blue Filtergehäuse
PENTEK Filtereinsätze für Oberflächenfiltration
PENTEK Filtereinsätze für Tiefenfiltration
PENTEK Filtereinsätze mit Aktivkohle
CINTROPUR Filtersysteme
CINTROPUR Wasserfilter
Enthärtungsanlage KAWK
Heizungswasser Umkehrosmose INDUWA


Flansch-Konfigurator


Blindflansch-Losflansch-Rechteckflansch

Chemische Beständigkeit


Beständigkeitsliste für Rohrsystemen aus Kunststoff

Kunststoffapparatebau


Tropfenabscheider aus PVC U, PP, PPs, PE und Verbundwerkstoffen

 

Kunststoff-Drehteile


Einlegteile
Einschraubteile
Gewindefittings
Verschraubungen

Kunststoff-Frästeile


Los- und Blindflansche aus Platten


Statische Mischer


Statische Mischer aus Kunststoff


Kompensatoren


Kompensatoren für Kunststoffrohrsysteme


Schmutzfänger


Einzel- und Doppelschmutzfänger
Topfschmutzfänger DN 300
Schrägsitzschmutzfänger DN 500


Durchflussmesser


Schwebekörperdurchflussmesser
Konfigurator für Durchflussmesser
Messwertgeber für Schwebekörperdurchflussmesser
Nebenstrom - Durchflussmesser


Filterpressen


Laborfilterpresse


Spritzgussteile


Schaber aus PE für Filterpressen


Kwerk Praxis Blog


Hier bloggt das Kwerk Team aus der Praxis


Westerwald - Spezial


Westerwälder Säurekitt


Kwerk GmbH International


Unsere Webseite in Englisch


Partnerschaft auf höchstem Niveau


 
         
 
 
 
       
 
 
         
 
DATENBLATT KOMPAKT
CAD-FILES
keine CAD-Dateien vorhanden
ONLINE-TOOLS
ANGEBOT ANFORDERN
PROJEKT-ANFRAGE STARTEN