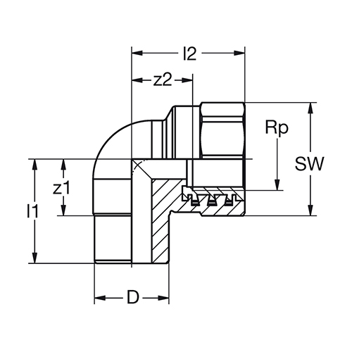
PP-RCT-RG Ü-Winkel 90° i IG-zyl grün
Verfügbakeit: sofort
|
||||||||||||||||||||
|
Gespritzte Formteile, für die Heizelement-Muffen-Schweißung, ohne Verschwächungsbeiwerte. Werkstoff PP-RCT (Polypropylen Random-Copolymer Temperature resistant) mit modifizierter Kristallstruktur (beta nukleiert) und erhöhter Temperaturbeständigkeit, Borealis RA7050GN, Farbe RAL 6024 Verkehrsgrün. Das Material entspricht den Anforderungen der aktuellen KTW-Leitlinie des Umwelt-bundesamtes (UBA). Geometrische Eigenschaften Durchmesser und Wanddicke der Muffen entsprechend DIN EN ISO 15874.Toleranzen bei den Z-Maßangaben sind abhängig von der Dimension. Bis d/D 160 = +/- 3 mm. Ab d/D 180 = +/- 10 mm. Betriebsdruck Der Betriebsdruck richtet sich üblicherweise nach dem eingesetzten Rohr. Grundsätzlich sind alle Standard-Formteile für die angebotenen Rohre geeignet. Ausführung Geeignet für Heizelement-Muffen-Schweißung nach DVS Richtlinie 2207. Schweiß- Geräte und Schweiß-Werkzeuge sollten der DVS Richtlinie 2208 entsprechen. Zertifizierung B-R Formteile unterliegen regelmäßigen internen und externen Qualitätskontrollen. Die Formteile erfüllen die Anforderungen der DIN Certco Richtlinie ZP 10.25.1 und NSF14 + 61. |
|
|||||||||||||||||||
Hinweis:
Für diesen Artikel kann kein Gesamtpreis berechnet werden. Daher wird aus Ihrem Warenkorb eine Anfrage und Sie erhalten von uns schnellstens ein Angebot mit allen Preisangaben, bevor Sie verbindlich bestellen. |
||||||||||||||||||||||||||||||||||||||||||||||||||||||||||||||
PP-RCT: Die Innovation für robuste Rohrsysteme |
![]() ![]() |
PP-R (Polypropylen-Random-Copolymer) und PP-RCT (Polypropylen-Random-Copolymer mit modifizierter Kristallstruktur) sind hochwertige Werkstoffe für Rohrsysteme in verschiedenen Anwendungen. Hier sind weitere Informationen zu beiden Materialien: PP-R (Polypropylen-Random-Copolymer):PP-R ist ein thermoplastischer Kunststoff, der für seine hervorragende Wärmebeständigkeit, chemische Beständigkeit und mechanische Festigkeit bekannt ist. Es wird häufig in der Wasserversorgung, Heizungs- und Kühlsystemen, sowie in der Industrie- und Gebäudetechnik eingesetzt. PP-R Rohrsysteme bieten zahlreiche Vorteile, darunter: - Hohe Temperaturbeständigkeit: PP-R Rohre können Temperaturen von bis zu 70°C standhalten, was sie ideal für den Einsatz in Warmwasserleitungen und Heizsystemen macht. - Chemische Beständigkeit: PP-R ist beständig gegenüber einer Vielzahl von Chemikalien, Säuren und Basen, was seine Verwendung in industriellen Anwendungen ermöglicht. - Geringe Ablagerungsneigung: Die glatte Innenoberfläche von PP-R Rohren verringert die Anhaftung von Ablagerungen und erleichtert die Wartung und Reinigung der Rohrsysteme. - Langlebigkeit: PP-R Rohre sind korrosionsbeständig und haben eine lange Lebensdauer, was zu geringeren Wartungskosten führt. PP-RCT (Polypropylen-Random-Copolymer mit modifizierter Kristallstruktur):PP-RCT ist eine Weiterentwicklung von PP-R und bietet noch verbesserte Eigenschaften für anspruchsvolle Anwendungen. Durch die modifizierte Kristallstruktur weist PP-RCT eine höhere Temperaturbeständigkeit und Druckbelastbarkeit auf. Zu den Vorteilen von PP-RCT gehören: - Höhere hydraulische Kapazität: Dank der verbesserten Struktur können PP-RCT Rohre eine höhere Durchflussleistung bei gleichem Außendurchmesser im Vergleich zu PP-R Rohren bieten. - Erhöhte Temperaturbeständigkeit: PP-RCT Rohre können Temperaturen von bis zu 90°C standhalten, was sie für Anwendungen mit höheren Betriebstemperaturen geeignet macht. - Verbesserte Druckbelastbarkeit: PP-RCT Rohre können höheren Drücken standhalten und bieten somit eine zuverlässige und sichere Rohrleitungsführung. Sowohl PP-R als auch PP-RCT Rohrsysteme sind für ihre einfache Installation und hervorragende chemische Beständigkeit geschätzt. Sie werden in einer Vielzahl von Anwendungen eingesetzt, darunter Trinkwasserleitungen, Heizungs- und Kühlsysteme, industrielle Prozessleitungen, Bewässerungssysteme und vieles mehr. Vertrauen Sie auf die Qualität und Leistungsfähigkeit von PP-R und PP-RCT Rohrsystemen für Ihre Anwendungen. Unsere Partnerschaft mit Bänninger stellt sicher, dass wir Ihnen erstklassige Produkte und umfassenden Support bieten können. Kontaktieren Sie uns gerne für weitere Informationen und individuelle Beratung zu unseren Rohrsystemen. Unser Partner Bänninger ist ein dynamisches, traditionsreiches und inhabergeführtes Unternehmen mit einer klaren strategischen Ausrichtung auf das Ziel, den Anforderungen des Marktes jetzt und in Zukunft in hohem Maße zu entsprechen. Bänninger verfügt über eine in vielen Jahren gewachsene Kompetenz in den Bereichen Werkstoffe, Fertigung, Qualität, Anwendung, Support und Logistik. Sie ist die Basis für ein komplettes Leistungsspektrum. |
|
|
Ihre Wünsche, unsere Lösungen - Ein umfangreiches Lieferprogramm nach Maß. |
Partnerschaft auf höchstem Niveau |
|
|
|
|
|
|
|